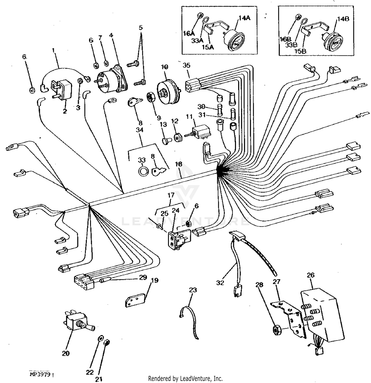
Webhuge selection of new, used, and rebuilt john deere 420 tractor parts from all states ag parts. Webfind parts & diagrams for your john deere equipment. Search our parts catalog, order parts online or contact your john deere dealer. Webjohn deere 400 420 430. 1 2 3 next page view all. Sunshade fits john deere 300 and 400 series tractors. Webjohn deere 420 parts in stock. We specialize in older tractors and have the correct parts for your john deere 420. Webspecific parts that can be looked up for the 420 loader include mounting frames, masts, and booms. Tractor zone also offers a wide selection of oem quality john deere 420 loader. Webjohn deere 420 lawn & garden mower parts for sale at all states ag parts. Buy with confidence with our industry leading warranty and returns policy. Webpage 3, john deere model 420 lawn and garden tractor parts
John Deere 420 Garden Tractor Parts
John Deere 420Lawn Tractor
John DeereLawn Tractor Parts
John Deere 400Garden Tractor Parts
John Deere 420Farm Tractor
John Deere 420 Garden Tractor PartsDiagram
John Deere300 Garden Tractor
John Deere430 Tractor Parts
John Deere Garden TractorLoader
John Deere 420 Garden TractorAttachments
318John Deere Garden Tractor
John Deere Lawn TractorCab Enclosures
John Deere322 Lawn Tractor
New John DeereLawn Tractors